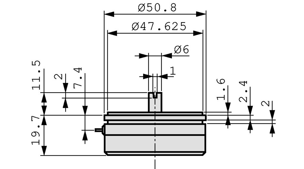
Novotechnik P6500 Series Angular Position Sensor, Resistive Signal

brand logo

HT Part No. HT1111051

Mfr. Part No. P-6501-A502

Manufacturer: Novotechnik

Technical Documents: A700000011098375.pdf(datasheets)

82 - In Stock pcs
Price:
£ 167.63
Units Per Unit Price
1 + £ 167.63
  • secure-payment
  • visa
  • american-express
  • master-card
  • opayo

Product Specification

Product Attributes

More Information

Novotechnik P6500 Series Angular Position Sensor, Resistive Signal

Similar Products

Loading products...