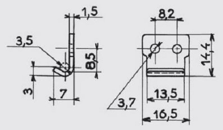
Savigny Steel Lockable,Spring Loaded Toggle Latch

brand logo

HT Part No. HT400299

Mfr. Part No. 40013 ZI

Manufacturer: Savigny

Technical Documents: A700000008853855.pdf(datasheets)

32 - In Stock pcs
Price:
£ 5.30
Units Per Unit Price
2 - 9 £ 5.30
10 - 19 £ 5.03
20 + £ 4.77
  • secure-payment
  • visa
  • american-express
  • master-card
  • opayo

Product Specification

Product Attributes

More Information

Savigny Steel Lockable,Spring Loaded Toggle Latch

Similar Products

Loading products...